Contator CC

O contator DC atua como um mecanismo de comutação em sistemas elétricos. Dessa forma, você pode desfrutar de controle completo sobre a corrente dentro de circuitos DC.

Características dos contatores CC

Contratante DC
Contratante DC

À prova de poeira

A caixa que contém o contator elétrico componentes dentro o tornam à prova de poeira. Ele não permite que nenhuma partícula de poeira entre. Isso facilita a ativação e desativação suave do seu circuito.

Suporta ampla faixa de temperatura

Você pode instalar seu DC Contator em qualquer lugar que desejar. Em vizinhanças industriais ou comerciais de alta temperatura. Ele pode lidar com temperaturas variando de -250C a 550C. Temperaturas mais altas não afetam o funcionamento ou a aparência física do seu contator CC.

Materiais de alta qualidade

Os materiais que entram na fabricação do DC Contator são de alta qualidade. Seja a estrutura externa ou o corpo ou os componentes internos, eles se alinham rigorosamente com os padrões industriais e até os superam quando se trata de operação.

À prova de ferrugem

O suporte de trabalho de umidade mais alta faz seu contator DC valer a pena. Ele pode suportar umidade de 5% até 95%. Fenômenos de ferrugem ou corrosão não podem degradar a aparência e o desempenho do seu contator DC.

Tipos de contatores para comutação CC

Certos tipos e formas existem para DC Switching. Descubra os fatos sobre o tipo de chave logo abaixo:

Por Design

Os tipos de contatores CC com base no projeto são:

Lâmina de faca

Contatores DC de lâmina de faca existem há muito tempo. Esses contatores compreendem principalmente uma alavanca e uma tira. Suas ações resultam em um movimento para cima e para baixo.

Dessa forma, facilita a operação real. Certas coisas contribuíram para o fim de sua ampla usabilidade. Algumas limitações principais incluem:

  1. Vida útil mais curta
  2. Sem segurança
  3. Proteção zero contra poeira ou umidade
  4. Quebra dupla
Lâmina de faca de contator DC
Lâmina de faca de contator DC

Manual

Como o nome reflete, você pode usar este contator DC manualmente. Ajudaria se você fizesse isso manualmente sempre que quisesse desligar ou ligar o circuito. Embora algumas coisas sejam melhores do que o contator DC de lâmina de faca. Alguns dos pontos positivos são:

  1. Segurança adicional
  2. Garanta a proteção completa dos componentes internos
  3. Forma compacta
  4. Oferece maior corrente, especialmente em espaçamentos pequenos
Contator DC manual
Contator DC manual

Contator magnético DC

Este tipo de contator DC precisa de força eletromagnética para executar a operação de ligar e desligar o circuito. A corrente ativa os ímãs, que então ligam o circuito. Nenhuma corrente significa que nenhum contato DC está funcionando.

Contator magnético DC
Contator magnético DC

Os principais destaques do contator magnético CC são:

  1. Funcionamento automático, sem necessidade de força manual ou humana
  2. Provisão de alta segurança
  3. Necessidade de corrente de controle insignificante para operação efetiva

Por Voltagem

O contator CC possui as seguintes categorias com base na voltagem:

Contator 12v DC

O contator de 12 V CC compreende 1 polo. Esses contratantes são adequados para lidar com 150 amperes de corrente. Por exemplo, você pode usá-los em máquinas de engenharia, sistemas de telecomunicações, interruptores de controle eletrônico e guinchos autoelétricos.

Contator 12v DC
Contator 12v DC

Com este contator, você pode avaliar a carga, realizar operações suaves e alterar a direção de rotação.

Contator DC 24V

O contator 24V DC, em geral, é composto por dois polos. Você pode usá-los em aplicações que exigem 300 amperes. Vários acessórios domésticos e comerciais exigem o uso deste contator 24V DC.

Contator 24v DC
Contator 24v DC

Contator DC 48V

O contator de 48 V CC, em geral, compreende quatro polos. Você pode controlar efetivamente os circuitos que são de 120 Volts. Com esses contratantes, você pode controlar completamente os tipos de carga indutiva ou não indutiva leve.

 Contator 48v DC
Contator 48v DC

Esses contratantes se beneficiam de aplicações ferroviárias, iluminação, aparelhos elétricos, etc.

Contator 220v DC

O contator de 220 V DC consiste principalmente de 3 polos. Ele pode oferecer suporte a acessórios que exigem até 220 volts. Existem opções para usá-los em motores trifásicos, isolamento, estações de carga, comutação de capacitores, etc.

 Contator 220v DC
Contator 220v DC

Você pode garantir o funcionamento e a operação de acessórios maiores em qualquer lugar.

Pelo Número de Pólos

Na base de pólos, o Contator DC tem as seguintes divisões:

Contator DC de pólo único

O termo single pole em single pole DC Contactor refere-se a um contator que compreende apenas um polo. É altamente aplicável quando você só precisa lidar com uma única fase. Acessórios domésticos empregam principalmente esse tipo de contator DC.

Contator DC de 2 polos

No contator DC de 2 polos, você pode usá-lo onde precisa lidar com as duas fases. Locais comerciais exigem o uso deste contator DC amplamente. Ele pode lidar com 120 volts facilmente. Você pode interromper a fase dupla instantaneamente quando usa um contator DC de 2 polos.

Contatores CC vs. CA

Os principais itens para sua consideração são:

Estrutural

Ao desmagnetizar o contator DC, ele produz uma força eletromagnética. Ele faz isso por meio da utilização de um diodo de fluxo livre. Em contatores AC, não há diodo. Em vez disso, ele faz uso de bobinas para alimentar o equipamento.

Princípios

Como o nome reflete, Contatores CA usa CA. Normalmente, eles têm um núcleo de ferro, que produz correntes parasitas e perda por histerese. Uma laminação no núcleo de ferro impede que isso aconteça.

Contatores CC não têm associação com laminação. Isso ocorre porque o contator CC não enfrenta formação ou depleção de correntes parasitas. Ferro fundido ou aço entram em sua fabricação inteiramente.

Material usado para revestimento

Para evitar que as placas de contato superaqueçam, você usará um revestimento especial com aço silício. Embora não seja necessário tal revestimento ou laminação em contatores CC.

Forma do núcleo de ferro

Cortar a energia no circuito CA não torna a corrente do loop zero. Isso contribui para a atração e condução da armadura quando aberta. Por outro lado, em contatores CC, você não experimentará aquecimento ou correntes parasitas. Isso leva você a utilizar metal inteiro em sua construção.

Frequência de operação

No contator CA, a frequência operacional é sempre 600x por hora. Claro, isso acontece com uma corrente de partida mais alta.

Entretanto, quando se trata do projeto DC, a frequência é de 1200x por hora.

Resistividade elétrica

O número de voltas no contator CA é muito pequeno, com diâmetro maior e resistência desprezível. Ele apresenta um formato cilíndrico para evitar aquecimento, e há uma distância entre eles para facilitar a saída do calor.

Em contatores DC, como não há lugar para formação de calor, ele utiliza uma bobina mais fina com voltas máximas. Portanto, eles apresentam maior resistência. A formação de bobina fina resulta em melhor dissipação de calor.

Requisitos de espaço

O contator CA não tem espaço suficiente. Você pode colocá-lo em qualquer lugar que quiser se o local oferecer espaço de instalação suficiente.

Isso não é verdade para a DC Contractors, e você precisa garantir espaço suficiente para uma operação eficaz.

Extintor

Geralmente, os contatores CA vêm equipados com extintor de grade. Os contatores CC possuem extintores magnéticos em seu interior.

Como escolher contatores para comutação CC

Para fazer uma seleção adequada, você precisa considerar os seguintes pontos importantes:

Indutância de corrente

A indutância de corrente tem um impacto direto na capacidade geral de interrupção. Quando ocorre a indução, a tensão sobe, aumentando a intensidade do arco. Isso contribui para a maior capacidade de interrupção. Por exemplo, se o valor da indução diminui de 15 ms para 1 ms, a capacidade de interrupção aumenta em 300 por cento.

Tipo de aplicação

O tipo de aplicação ajuda você a selecionar o contratante certo. Se você precisa de um contator de um ou dois polos? O contratante que você vai comprar pode atender ao requisito de carga. Como há um sistema de uma fase, duas fases ou três fases. Cada sistema requer um respectivo contator CC. Para aplicações de homepage, contratantes monofásicos ou bifásicos são bons. Para os setores comercial e industrial, o contator bifásico ou trifásico é altamente adequado.

Vida útil

Vários fatores contribuem e decidem a vida útil do seu contator CC. A vida útil está diretamente relacionada à aplicação à qual você está submetendo seu contator CC. A aplicação mecânica não apresenta comutação sob carga, enquanto a aplicação elétrica apresenta comutações de carga. Por exemplo, em aplicações ferroviárias, o contator pode ser obrigado a suportar mais de 1 lac de ciclos de comutação. Portanto, é essencial escolher um contratante com vida útil efetiva.

Requisito de manutenção

Este ponto é crucial. Considere quais requisitos de manutenção você precisa seguir se puder lidar com o requisito de manutenção específico que você obtém com o DC Contactor. Na maioria dos casos, as pessoas não têm tempo suficiente para executar as medidas de manutenção.

Direção de operação para contator CC

Ele oferece uma funcionalidade de operação dupla. O contator DC opera em uma única ordem e só pode cortar a conexão de corrente em uma direção. Por outro lado, o contator DC bidirecional pode desconectar a corrente em ambas as direções. Considere isso ao escolher seu contator DC.

Principais componentes do contator DC

As principais peças do DC Contator estão aqui para sua referência:

1. Eletroímã/Bobina

A fonte da força motriz dentro do contator CC é a bobina. A bobina está presente na forma de enrolamento em um núcleo magnético. Ela desempenha principalmente seu papel como um eletroímã. A bobina compreende dois componentes. Um é móvel e o outro permanece fixo. Uma mola está presente na parte móvel.

A armadura (haste) conecta as partes móveis. Para que ocorra um contato, a força da bobina deve exceder a força tensional da mola.

Por outro lado/vice-versa, ocorre a desconexão.

2. Contatos

Os contatos conduzem corrente. Três tipos de contatos estão presentes dentro do contator:

  • Contato de energia
  • Contato auxiliar
  • Mola de contato

O material que entra na fabricação dos contatos deve ter as seguintes características:

  • Excelente resistência ao arco
  • Maior resistência à soldagem
  • Resistir ao estresse mecânico
  • Alta resistência à erosão

O material preferido para aplicação de baixa corrente inclui uma mistura de prata cádmio e prata níquel. Por outro lado, as aplicações existentes mais altas requerem óxido de prata estanho como um material de composição chave.

3. Corpo/Estrutura

O papel principal do corpo/estrutura é fornecer alojamento ou fechamento eficaz para os componentes internos. Ele garante proteção contra poeira, sujeira, óleo, umidade, condições climáticas, explosões, etc. O corpo atua como uma barreira e previne contato direto.

Componentes do contator DC
Componentes do contator DC

Como funciona o contator para comutação CC?

 

O contator para comutação CC funciona da seguinte maneira:

Primeiro, a corrente passa do circuito principal para o contator. Isso desempenha seu papel na excitação do núcleo magnético.

Como resultado, o campo magnético é produzido pelo eletroímã/bobina. Isso inicia o movimento da armadura e fecha o contato.

Mais tarde, a corrente começa a se mover pelos contatos até a carga. Por outro lado, quando não há corrente no circuito, ocorre a desenergização. Isso representa forças magnéticas zero. Ao fazer isso, as tropas na mola aumentam e puxam a armadura para trás, fazendo com que o circuito se abra. Dessa forma, o subsequente desligamento e religamento ocorrem.

Princípio de funcionamento do contator CC
Princípio de funcionamento do contator CC

Contatores DC vs. Relés

Existe uma infinidade de diferenças quando se trata de contatores CC e Relés. Algumas das principais diferenças que você deve observar incluem:

  1. A capacidade de carga dos contatores CC é muito maior em comparação aos relés. Você não pode usar o relé para mais de 15 amperes de carga. Enquanto os contratantes atendem cargas maiores em qualquer lugar 150A, 300A, 600A, etc.
  2. Os contatores CC vêm em uma única configuração, então eles sempre permanecem abertos. Sempre que eles experimentam uma corrente, eles a ligam. Este não é o caso dos relés. Eles vêm em configurações duplas, incluindo NC e NO.
  3. Em relação à proteção, o relé não pode competir com os contatores CC. Eles garantem total segurança e proteção em caso de corte. É isso que os torna valiosos para aplicações de alta potência.
  4. O peso do contator é muito maior do que o dos Relés porque eles podem lidar com requisitos de energia mais altos. A velocidade de comutação do contator é mais lenta quando você os compara aos relés. Você terá mais custos com os contratantes por causa de mais voltas (consomem mais energia).
Relés
Relés

Causas comuns de falha em contatores para comutação CC

Várias coisas contribuem para a falha do seu DC Contactor. Alguns dos principais motivos incluem:

Sobrecorrente

Quando a corrente excede o limite desejado, ela danifica os componentes do seu contator. Você também pode sofrer um curto-circuito.

Aumento de temperatura

A temperatura mais alta faz com que os componentes internos alterem sua aparência física ou forma. Isso, no final, afeta negativamente o funcionamento geral do DC Contactor.

Instalação inadequada

Instalação inadequada significa conexão ruim aos polos ou terminais. Isso impedirá que o contator CC opere em seu potencial máximo. Também acabará em falha rápida.

Envelhecimento

Outro fator que causa a falha do seu DC Contator é o envelhecimento. Devido ao uso suficiente, o produto atingiu seu limite e não tem mais capacidade de continuar funcionando. Isso faz com que seu DC Contator falhe.

Tensão Flutuante

A subida e descida sucessivas na voltagem contribuem para o efeito prejudicial nos principais componentes do contator. Isso torna o contator DC uma falha.

Contator CC de alta corrente vs. contator CC de alta tensão

Um contator CC de corrente mais alta é altamente adequado ao alternar altas correntes. A corrente pode estar em qualquer lugar de 100A até 600A. Por exemplo, contator CC de 100A. As aplicações de dispositivos de alta corrente incluem soldadores, fontes de alimentação, transistores, supercondutores, etc. Observe que onde a corrente é alta, a voltagem será menor e vice-versa.

Quando o propósito final é alternar a alta voltagem, então você pode empregar um contator CC de alta voltagem. Por exemplo, contator CC de 1000 V. As aplicações para contator CC de alta voltagem incluem eletrofiação, imagens médicas, geração de feixe de elétrons, tratamento de água, etc.

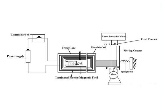
Diagrama de fiação do contator CC

O diagrama de fiação real do contator CC é o seguinte para sua consideração:

Aplicações

Você pode utilizar o DC Contator em vários campos. Algumas das principais áreas para DC Contator incluem:

Contatores de acionamento CC

Esses contatores CC são realmente benéficos quando se trata de sistemas de acionamento. Especialmente o sistema cuja velocidade é ajustável. Você pode dizer um motor CC ou outro sistema de acionamento.

Contator de comutação DC

Existe uma grande variedade de aplicações quando se trata de contator de comutação DC. Algumas aplicações são cargas elétricas, iluminação, bancos de capacitores, sistemas de evaporação térmica, etc.

Contator CC de estado sólido

O nome deriva porque esses contratantes não contêm nenhum componente móvel dentro. Em vez disso, eles fazem uso de peças eletrônicas e semicondutores. As principais aplicações são motores DC, bombas de água, controle de aquecedor, etc.

Contator de ruptura de ar CC

É benéfico quando se trata de alternar correntes mais altas. As principais aplicações incluem sistemas de ventilação, ar condicionado, evaporadores, etc.

Contator CC para veículos elétricos

A função principal do contator CC do veículo elétrico é desligar ou ligar as linhas de energia dentro do carro. É altamente desejável em veículos elétricos e híbridos.

Perguntas frequentes rápidas

Por que o contator CC falha?

Conforme mencionado acima, os principais motivos de falha são:

  • Alta corrente
  • Instalação ruim
  • Seleção errada do conector DC
  • Condições operacionais adversas
  • Maiores flutuações de temperatura

A carga afeta a capacidade do contator CC?

Sim, a carga tem grande influência na capacidade geral do contator CC.

Cada contator DC pode suportar uma carga específica. Exceder os parâmetros levará à falha do seu contator DC.

Conclusão

Agora você tem insights aprofundados sobre funcionamento, tipos, benefícios, componentes, considerações de seleção, aplicações e muito mais sobre DC Contactors. Essas informações ajudarão você a fazer a melhor seleção ou lidar com DC Contactor de forma eficaz.

Aproveite proteção e segurança completas com um DC Contator em seu sistema de rede elétrica hoje mesmo. Por favor, compartilhe suas ideias na seção de comentários ou busque assistência enviando um e-mail para nós. Gostaríamos muito de ajudar você.

pt_PTPortuguese
Rolar para o topo